首页>解决方案中心>自动化机械>EP100在送料机上的应用

EP100在送料机上的应用

2016-12-23 w66利来旗舰厅

一、设备介绍:


送料机就是输送材料的机器,是无论是轻工行业还是重工业都不可缺少的设备,送料机是借助于自动送料机机器运动的作用力加力于材料,对材料进行运动运输的机器。


二、设备特点:


当今社会,越来越多的厂家采用机械化输送,这种方式代替人力劳动将成为必然,其具有较高的精确度,而且省时,省力还大大减少了劳动强度,降低劳动成本节约人力资源。真正的做到了低成本,高回报。在今飞速发展的年代这种自动化产品会受到越来越多厂家的青睐与喜欢!


三、系统构成:


基本上是一套到两套云顶4008集团手机登录与驱动和PLC构成。


w66利来旗舰厅

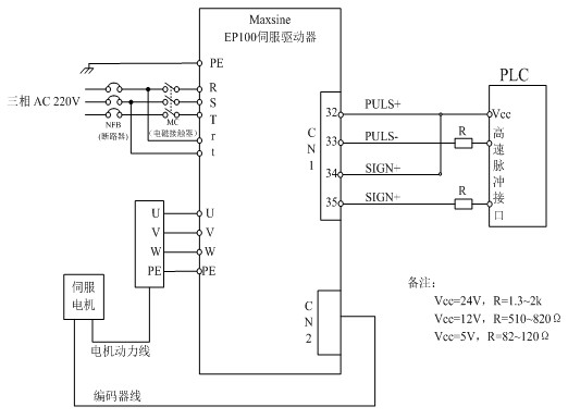
四、系统工作原理和线路图:


上位机给驱动器发送位置指令脉冲,使工作台移动到较精确的位置,配合其他设备完成产品的加工。


w66利来旗舰厅


五、驱动相关参数设置:(以EP100为例)


功能代码

代码名称

设定参数

使用说明

PA002

型号代码

A103

同云顶4008集团手机登录相匹配

PA004

控制方式选择

0

位置控制

PA005

速度比例增益

150

设置值越大,则刚度越大,过大容易出现振荡

PA006

速度积分时间常数

20

设置值越小,则刚度越大,过小容易出现超调

PA009

位置比例增益

100

设置值越大,则刚度越大,过大容易出现振荡或超调

PA029

位置指令脉冲分频分子

1

设置相应值可以很方便的与各种脉冲源相匹配

PA030

位置指令脉冲分频分母

1

设置相应值可以很方便的与各种脉冲源相匹配

PA035

位置指令脉冲输入方式

0

设置与上位机相应的脉冲输入方式,默认为脉冲+方向

PA036

位置指令脉冲方向取反

0

改变此参数可以很简单的改变电机的旋转方向

PA098

4位输入端子强制ON控制字

1

强制使能




  • 首页
  • 电话咨询
  • 在线留言