

EPX双轴系列交流w88win中文手机版,提供2轴的典型配置,相比EPX单轴系列,节省45%的空间,支持高分辨率编码器,能实现位置精确的数字控制。提供更为先进的算法,能自动的抑制各频段的震动。龙门同步
EPX双轴系列 | w88win中文手机版
● 主电源电压AC 220V
● 单轴功率范围:0.4~1.5kW
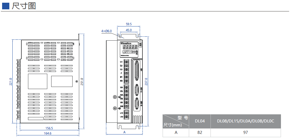
● 双轴更紧凑,节约45%空间
● 支持龙门同步,同步性提升75%
● 自动末端抖动抑制
● 自动中频共振抑制
● 机械振动分析
● 动态制动(可选)
● 总线协议:Modbus