首页>文章中心>常见问题>简单实用 完美兼容 | 迈信MX系列PLC使用宝典

简单实用 完美兼容 | 迈信MX系列PLC使用宝典

2018-12-19 w66利来旗舰厅

Q1:PLC的输出是不带电源的吗?比如说我要控制个110V继电器。是不是要加个电源?怎么接线?

A:PLC的输出端口仅仅是一个驱动负载的开关,本身是不带电源的,如果要控制个110V继电器,要加个电源。PLC的输出端接到继电器的线圈,继电器还要接到220V交流电源,PLC的COM端也接到220V交流电源。

 

Q2:为什么输入端口的地址没有X8,X9?

A:迈信PLC的输入继电器和输出继电器都是以八进制进行编址的,所以只能是X0-X7,而没有X8,X9,X7后面的地址应该是X10。

 

Q3:PLC输出回路中需要加入保险丝吗?

A:PLC输出回路中需要加入保险丝,因为当负载一旦发生短路或故障时,容易烧坏触点或晶体管,还会烧坏输出电路所在的印制电路板,因此,需要在负载回路上加入起短路保护作用的保险丝。

 

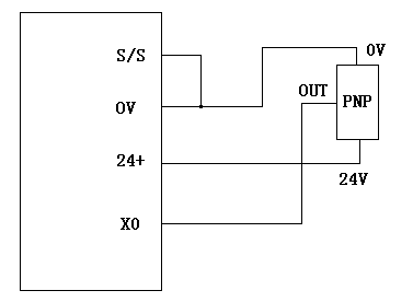
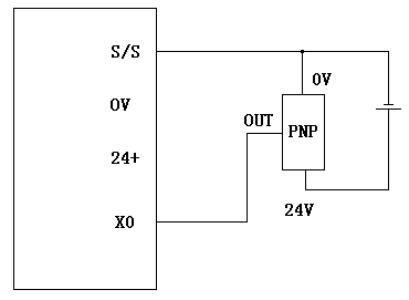
Q4:一个PNP型三线制接近开关,应如何接入MX3U PLC的输入端口?

A:把PNP型三线制接近开关的信号输出端接PLC的输入口如X0,PNP型接近开关的0V端接到PLC上的0V端子,还要把S/S端子跟0V端子短接起来,PNP型接近开关的+24V端接到PLC上的24+端子。如果是外接24V电源的话,那么把PNP型三线制接近开关的信号输出端接PLC的输入口如X0,PNP型接近开关的0V端接到外接24V电源的负,还要把S/S端子跟外接24V电源的负短接起来,PNP型接近开关的+24V端接到外接24V电源的正。

Q5:PLC的扫描周期是固定的,那么我怎么知道我写的程序超过固有的扫描周期呢,有什么方法知道 ,且怎么延长扫描周期呢?

A:如果要知道当前的扫描周期,可以直接从PLC的特殊寄存器D8010中读取;如果PLC里面有特殊存储器可以用来设定恒定扫描周期,那么只需要给这个特殊存储器中设定指定的数值,就可以改变扫描周期的时间。

 

Q6:请问“MOV K0 K2Y0"的意思是说把Y0-Y7复位,那么为什么”MOV K1 K2Y0“却不是把Y0-Y7置位的呢?而只是单把Y0置位的?

A:指令中的K2Y0是组合位元件,代表的是Y0-Y7,MOV K0 K2Y0指令传送0到K2Y0,实质传送的是二进制数,0的二进制数是B 0000 0000,所以是将Y0-Y7复位,MOV K1 K2Y0指令传送1到K2Y0,1的二进制数是B 0000 0001,所以是对Y0置位为1,而不是把Y0-Y7都置位。

 

Q7:在梯形图中输入T1K20,显示软元件设置不正确是怎么回事?

A:在梯形图中输入T1K20,显示软元件设置不正确,是因为T1和K20中间没有空格,空格多少没有规定,但至少要空1格。正确的输入方法是:OUT T1 K20,注意OUT和T1,T1和K20之间都要留有空格,输入定时器指令时还需要注意不要将字母O与数字0混淆。

 

Q8:例如X001控制T5,T5的延时为50S,那X001是否需要接通50S,T5才动作?还是只需接通就可以了?

A:X001需要接通50秒,T5才动作。因为X001是定时器的驱动条件,而T5是属于通用型定时器,当驱动条件X001断开,那么定时器会复位,不再计时。

 

Q9:我手上有台MX1N-40MR的PLC,输出端(Y侧)有几个COM端子:COM1,COM2,COM3,COM4,COM5,怎么用啊,究竟对应Y里面着哪些Y端子啊?

A:因为输出负载包括接触器、继电器线圈、电磁阀线圈、指示灯、喇叭等,各种负载的电源性质可能不相同。为了适应不同的负载电源,所以PLC把输出端分成几组,同一组端口的负载电源是相同的,不同组的端口可以接不同的电源。

MX1N-40MR输出为4点共端,即每个4个输出点一个公共端。称作4点共端。其对应关系是COM1为YO-Y3的公共端。COM2为Y4-Y7的公共端。以此类推。

 

Q10:输出输入端的那几个黑点端有什么用的?

A:输出输入端的那几个黑点端是为了配合PLC的整体结构而留下的空端子,内部没有接线,是无用的端子,不用做任何接线。空端子不能作接线端子使用,如果使用,会对PLC产生干扰。

 

Q11:MX系列PLC的编程电缆型号是什么?

A:MX系列PLC的编程电缆型号是SC-09电缆或者USB-SC09-MX电缆。SC-09为连接电脑串口用。USB—SC09—MX为连接电脑USB口用。

 

Q12:迈信PLC [D<= D150 H0] 是什么意思?

A: [D<= D150 H0] 是触点比较指令,前面带D表示该指令是32位的触点比较指令,比较32位数(D151,D150)的值是否小于等于0,如果满足该条件则触点接通,如果不满足条件则触点断开。

 

Q13:请教[D<= D108 C251]是什么意思?

A:[D<= D108 C251]是触点比较指令,前面带D表示该指令是32位的触点比较指令,比较32位数(D109,D108)的值是否小于等于计数器C251的当前值,如果满足该条件则触点接通,如果不满足条件则触点断开。

 

Q14:在迈信PLC编程中置位和复位指令要一起使用吗?

A:在迈信PLC编程中置位和复位指令不一定要一起使用,可以只出现置位指令,也可以只有复位指令,也可以成对使用。

 

Q15:外部输入信号X0 在1秒钟内有10次输入,这个情况下,是不是需要使用高速计数器?

A:是不是需要使用高速计数器,决定PLC的扫描周期。计数器输入脉冲信号的频率不能过高,如果在一个扫描周期内,输入的脉冲信号多过1个时,那其余的脉冲信号则不会被计数器进行计数。这样,会产生计数不准确问题,因此,对计数器输入脉冲的频率是有一定要求的。一般要求脉冲信号的周期要大于2倍的扫描周期,保证不会发生计数丢数现象。

外部输入信号X0 在1秒钟内有10次输入时,PLC的扫描周期最好在50ms之内。如超过100ms,最好要使用高速计数器。

 

Q16:下面的程序中

           (MOVP K2 D0)

           (MOVP K4 D1)

           (DMOV D0 D2)

程序第三行D0和D2下面分别出现了:262146请问是怎么出来的?

A:因为 (DMOV D0 D2)是32位的传送指令,该指令是把(D1 D0)的数据传到到(D3 D2),而前面两条传送指令执行的结果是D0是K2,D1是K4,实际上D0内部二进制数是B0000 0000 0000 0010 ,D1内部二进制数是B0000 0000 0000 0100,所以(D1 D0)实际上是B0000 0000 0000 0100 0000 0000 0000 0010,该32位二进制数对应的十进制数就是262146。

 

Q17:请问在应用主控指令MC N0 M100时,左母线上的N0 M100触点应该怎么输入进去呢?

A:左母线上的N0 M100触点是不需要自己输入进去的,当编程软件的状态处于写入模式时,左母线上没有该触点,只需要把模式切换成读出模式或监视模式就可以使该触点自动显示出来。

 

Q18:电脑上的编程软件和迈信PLC通讯不上是什么原因?通讯线的端口如何设置?

A:通讯不上的原因有多种,1、可能是没有给PLC通电;2、编程软件创建的工程类型与实际PLC类型不同;3、可能是是通信端口设置问题;4、用了USB转232线,但没有安装驱动或者驱动没有安装好。原因可能有多种,需要一个一个去排查。编程线主要有两种 SC-09 , USB-SC-09 ,在使用SC-09时,如果电脑没有RS232接口,需配置USB/RS232转换器,购买该转换器时,同时需要安装驱动,安装驱动后,在电脑的设备管理器中会有该转换器的虚拟RS232端口号,如COM4,编程时下载上载就要选取这个端口号。

 

Q19:触点比较指令[<= D10 K100] 应该怎么输入,为什么输入不进去?

A:输入触点比较指令可以直接在键盘输入LD<= D10 K100进行输入,注意LD和<=符号之间不需要空格,而符号和D10之间,以及D10和K100直接需要空格。还要注意假如触点比较指令是32位指令[D<= D10 K100],那么是直接在键盘输入LDD<= D10 K100,注意是LD后面加D,而不是像DMOV等其他功能指令在前面加D。

 

Q20:[MOV K2M0 K2Y0]这个指令中的K2M0和K2Y0是什么,这条指令又是什么意思?

A:K2M0和K2Y0是组合位元件,K2是组合位元件的组数,K2代表两组,而一组是四位位元件,两组也就是8位,所以K2M0就代表M0-M7八个位,K2Y0就代表Y0-Y7八个位。[MOV K2M0 K2Y0]这条指令是将K2M0的二进制数据传送到K2Y0里面,实际上是通过M0-M7的二进制位去控制输出Y0-Y7的状态。

 

Q21:迈信PLC上的ERR灯一直亮红色,这是什么原因?

A:LC ERR灯亮红色说明有故障,故障有可能是硬件故障,也有可能是程序故障,可以通过编程软件连接上PLC后,打开软件菜单的“诊断”里的“PLC诊断”中确认到底什么故障。

 

Q22:迈信PLC晶体管输出能带动多大的负载,能直接连接继电器吗,用不用加保护装置?可以直接驱动固态继电器吗?

A:晶体输出的PLC最大带载能力为0.5A左右,固态继电器是可以自己驱动的,继电器看什么继电器,如果是24V这样的中间继电器是可以驱动的。

 

Q23:为什么说PLC系统可靠性高,抗干扰能力强?

A:PLC硬件设计上,为了提高抗干扰性能,开关量输入输出均采用光耦器件,PLC内部电路与外部电路之间做到了电隔离,较好地消除了外部电磁干扰对PLC内部所产生的影响。而且,PLC的电源线路与I/O回路还设计了多重滤波电路,如LC滤波器、RC滤波器、数字滤波器等,以减少高频干扰的影响。以上硬件设计,使得PLC具有抗干扰能力强,可靠性高等特点。

 

Q24:8进制数35+47的结果用8进制表示是多少?用10进制表示又是多少?

A:8进制数35+47的结果用8进制表示是104,用10进制表示是82。8进制的数字只有 0-7,逢8进1,也就是说:8进制的10就是10进制8,8进制11就是10进制9,以此类推。

 

Q25:MX1S-20MT可以扩展模块吗?扩展模块怎么定义输入输出端口号的?比如X13后面是不是X14?

A:迈信MX1S系列PLC只有基本单元,没有扩展I/O的扩展单元和扩展模块。扩展模块后输入输出端口号应该按顺序使用,不能跳跃编号。X13后面不是X14,而是X20。

 

Q26:16位和32位运算怎么理解?

A:数据寄存器是16位参与运算的,因为迈信的每个数据寄存器都是16位,如果想进行32位运算,就必须两个相邻的数据寄存器,比如B0和B1组成32位,而且规定了B0是低16位,是低位,B1是高16位,是高位,它的符号位在高位的最高的位置,B31位叫做符号位,16位在16位寄存器的最高位,也就是B15是符号位,16位就是16位和16位加减乘除,32位就是32位。

 

Q27:在调试程序時,怎么利用END指令进行分段调试?

A:PLC中的END指令为结束指令,在调试程序时可以将END指令插在各段程序之后,从第一段开始分段调试,调试好以后必须删去程序中间的END指令,这种方法对程序的查错也很有用处。

 

Q28:SET、RST指令是不是功能指令?

A:SET、RST是属于基本逻辑控制指令,不属于功能指令。基本逻辑指令主要用于开关量的处理,而功能指令则可以用于对数据的处理,包括数据的传送、变换、运算,以及程序流程控制,此外功能指令还能用来处理PLC与外部设备的数据传送和控制。

 

Q29:为什么我在触点XO处注释了“起动”,结果梯形图上所有XO触点位置处均出现了“起动”,能不能在XO不同的位置进行不同的注释?

A:不能在XO不同的位置进行不同的注释,在触点XO处注释了“起动”,那么X0对应的注释就是“起动”,定义好了后就相当于是唯一的注释了,所以所有XO触点位置处均出现了“起动”。

 

Q30:迈信PLC中比较指令(LD=)能比较浮点吗?

A:不能,指令里有专门浮点数比较的指令。

 

Q31:迈信PLC的D寄存器可以储存 N B A G字母吗?

A:可以,以ASCII码的形式存储。

 

Q32:在编辑PLC程序(写入模式)的时候,在原程序里面修改时,老是自动跳出一行,无法在原程序上修改。非要把原程序删除,再写才行。具体现象打个简单的比方:X0的常开触点输出Y0,我点击Y0,弹出修改菜单,修改为Y1,完了按确定,会自动在下一行并联输出Y0。还有输出其他的功能指令也是一样,这样太麻烦了。 请问是哪里的设置问题?

A:因为使用了“插入模式”,如果使用了,在您的键盘上再按一下“Insert”键即可恢复。

 

Q33:登录关键字忘记了怎么办?

A:若有备份程序,可先执行清除PLC内存后,再重新写入参数和程序即可。

 

Q34:文件寄存器和普通寄存器的区别?

A:文件寄存器是作为存放事先决定的数值(比如 产品检查的规格值)时很方便的。普通的寄存器是除了保持区域外,PLC的电源OFF时,所有内容都被清除。所以一般作为临时存放区域使用。

 

Q35:电磁阀接在PLC上后,反复的烧掉,这是为什么?

A:电磁阀带感性负载,关断的时候由于自感会产生自感电动势,积累在触点上,触点两端电压过高会击穿,若为直流电磁阀,可以加一个续流二极管,若为交流电磁阀,可以加一个浪涌保护器。

 

Q36:停电保持的软元件(补助继电器 状态)作为一般用时的使用方法?

A:当PLC RUN時侯,使用初始化脉冲通过ZRST命令清除必要的区域。需要清除所用的停电保持区域时,请使用M8032。

 

Q37:使用存储器盒时,需要电池吗?

A:RAM以外的存储器盒不需电池。但在使用时钟功能、辅助继电器、数据寄存器等中的保持软元件时需要电池维持。另外还有在使用特殊数据寄存器、特殊辅助继电器等时,也是需要电池的。详细内容请参考编程手册。

 

Q38:PLC在运行中,电源LED发生灯灭或是闪烁。

A:拆除(工作电源)端子的接线确认是否恢复正常。如恢复正常的话,有可能是因为负载的短接或是过大的负载电流而造成工作电源容量超载从而启动了保护功能。如不能恢复正常的话,请联系迈信电机售后服务部门。

 

Q39:MX1S自带的模拟电位器所对应的寄存器是?

A:MX1S 可编程控制器内置电位器2点 VR1:D8030 VR2:D8031。

 

Q40:进行浮点数计算时,当把二进制浮点数转换成十进制浮点数时,在监控模式下看到的数值,与计算的理论值有误差?

A:MX PLC CPU浮点数运算是单精度的,存在微小偏差。使用的CPU不同,运算的结果会有一些差别。

 

Q41:PLC更换电池时,程序是否会丢失?

A:在电池插座拔出20秒内,插入新电池的插座,程序不会丢失。电池LED点灯后,长时间被放置的情况下,交换前电池的电压有可能比规定值要低。这种情况下,PLC的电源切断时,程序会消失。

 

Q42:MX系列可编程控制器在STOP时可以保持RUN中的输出状态吗?

A:MX系列可编程控制器,驱动特殊辅助继电器M8033,则可编程控制器从RUN变为STOP后,RUN时的输出状态还能原样保持。

 

Q43:什么是变址寄存器(V、Z)?

A:变址寄存器是除了可与数据寄存器的使用方法相同以外,还可以通过在应用指令的操作数中组合使用其他的软元件编号和数值,从而在程序中更改软元件的编号和数值内容的特殊寄存器。 在寄存器中,被称为变址(修饰)用的有V、Z两种寄存器。 V、Z是如下所示地附加在其他软元件上的。 [V0、Z0=5时] D100V0=D105、C20Z0=C25←软元件编号 V□或是 Z□的值 数据寄存器和变址寄存器,可用于间接指定定时器和计数器的设定值,以及用于应用指令中。

 

Q44:MX3U系列可编程控制器电池的电压降低时,会造成什么后果?

A:电池的电压由于寿命等原因而降低时,不能正常保持程序(未使用存储器盒时)、以及停电保持软元件和时钟的状态。

 

Q45:MX3U系列可编程控制器能够将停电保持软元件作为非停电保持软元件使用吗?

A:MX3U系列可编程控制器,根据参数设定情况,可将部分停电保持软元件的一部分更改成非停电保持软元件。 停电保持专用的软元件不可以更改成非停电保持软元件。 这种情况下,在程序中使用初始化脉冲(M8002)清除保持软元件,这样就可以将其作为非停电保持软元件使用。

 

Q46:2进制浮点数的有效位数和处理范围是多少?

A:有效位数:2进制浮点数的有效数如用10进制数表示,大约为7位数。 2进制浮点数的处理范围如下所示。

-最小绝对值1175494×10-44 

-最大绝对值3402823×1032

 

Q47:10进制常数指定的范围是多少?

A:[K]是表示10进制整数的符号,主要用于指定定时器和计数器的设定值,或是应用指令的操作数中的数值。(例如: K1234) 10进制常数的指定范围如下所示。 -使用字数据(16位)时:K-32768~K32767 

-使用2个字数据(32位)时:K-2,147,483,648~K2,147,483,647

 

Q48:MX3U可以直接指定实数吗?

A:在MX3U系列可编程控制器中,[E]是表示实数(浮点数数据)的符号,主要用于指定应用指令的操作数的数值。 (例如: E1.234或是E1.234 3) 实数的指定范围为,-1.0×2128~-1.0×2-126、0、1.0×2-126~1.0×2128。 在顺控程序中,实数可以指定“普通表示”和“指数表示”两种。 

-普通表示 就将设定的数值指定。 例如,10.2345就以E10.2345指定。 

-指数表示 设定的数值以(数值)×10n指定。 例如,1234以E1.234 3指定。 [E1.234 3]的[ 3]表示10的n次方( 3为103)。

 

Q49:字软元件的位可以直接指定,将其作为位数据使用吗?

A:MX3U系列可编程控制器指定字软元件的位,可以将其作为位数据使用。 指定字软元件的位时,请使用字软元件编号和位编号(16进制数)进行设定。 (例如:D0.0 表示数据寄存器D0的0位编号。) 在软元件编号、位编号中不能执行变址修饰。 对象的字软元件:数据寄存器或特殊数据寄存器 位编号:0~F(16进制) 例如: LD D0.F OUT D0.3

 

Q50:LD和LDI指令使用的软元件是否可以用变址寄存器(V、Z)进行修饰?

A:MX3U系列可编程控制器,LD和LDI指令中使用的软元件,可以用变址寄存器(V、Z)进行修饰。(状态(S)特殊辅助继电器(M)、32位计数器(C)、D□.b不能修饰

 

Q51:LD和LDI指令使用的软元件中,是否可以指定数据寄存器(D)的位?

A:MX3U系列可编程控制器,LD和LDI指令使用的软元件中,可以直接指定数据寄存器(D)的位。 执行数据寄存器是位指定时,请在数据寄存器(D)的编号后输入“.”,然后接着输入位编号(0~F)。 可以使用的数据寄存器仅16位的有效。 请从低位开始按照0,1,2,…9,A,B,…F的顺序指定位编号。 例如:LD D0.3 OUT Y0 D0的第3位决定LD触点ON(导通)/OFF(不导通)。

 

Q52:迈信MX系列的PLC输入端连接NPN和PNP的问题。迈信MX系列的PLC输入低电平有效,也就是NPN型光电开关可以使用,但PNP型的光电开关(三线制)信号(黑线)串个470Ω的电阻,然后在程序里逻辑反也能使用。

A:PNP需要外接电源,本身MX系列都是漏型,外接正常NPN正好,PNP是源型输出,直接接无法工作。

 

Q53:迈信PLC怎么实现自动循环。具体是这样的,写了个程序,它是从一边抓起东西,然后放到传送带上,到达某点后,传送停止,推板的马达启动将东西退到下面的筐里,现在问题是,每次都要点下开关给抓东西的命令,它才能自己抓东西起来,改成常闭后又不动作。用什么指令可以让它自己抓起东西,也就是循环工作?

A:触发开关的命令先导通M0.0,然后M0.0导通了实现抓东西的步骤。 现在实现自动循环的功能,就是在东西退下去后,再次触发M0.0,相当于你手动再按下开关,自然就能再次抓东西。

 

Q54:迈信PLC程序中[DDIV D136 D140 D128]是什么意思?

A:DDIV(32位除法指令)。

D137,D136(放被除数)。

D141,D140(放除数)。

D129,D128(放商)。

 

Q55:迈信PLC编程软件中上升沿触点和向下沿触点是什么意思?

A:迈信PLC编程软件中上升沿触点和向下沿触点指令。PLS上升沿微分脉冲输出指令,它将指定信号上升沿进行微分后,输出一个脉冲宽度为一个扫描周期的脉冲信号。 PLF下降沿微分脉冲输出指令,它将指定信号下降沿进行微分后,输出一个脉冲宽度为一个扫描周期的脉冲信号。 PLS和PLF只有在输入信号变化时才有效。

 

Q56:迈信PLC [= D0 K0] 什么意思 MOV K0 DO什么意思?

A:LD M8000 [= D0 K0] OUT Y0 含义是M8000接通,D0数据等于0时,Y0吸合

LD M8000 [>D0 K0] OUT Y0 含义是M8000接通 D0数据大于0时 Y0吸合

LD M8000 MOV K0 D0 含义是M8000接通将数据0传送到DO。

 

Q57:迈信PLC寄存器最高位为符号位是什么意思?

A:在寄存器中的符号位是用来表示存储器内存储数据的正数或负数的,符号位假如为1则这个数值为负数,为0则为正数。

 

Q58:迈信PLC中T10 D8030是什么意思?

A:意思是T10的计时时间由内置电位器VR1调整的VR1 D8030(0-255的整数)所以最大是25.5秒。

 

Q59:如何将迈信PLC编程软件中的梯形图放到word中?

A:可以使用打印的方式,安装一个pdf文件打印机,就可以将程序打印成文件,然后再将这些文件插入到word文件中。

 

Q60:迈信PLC在程序里怎么控制直流电机的正反转?

A:用数字量转模拟量模块输出,信号0-5V,然后找外部专用直流调速器,输入信号是0-5V,输出根据输出的电压不一样进行正反馈,对应给电压,从小到大。当然最小是0V,最大是你电机正常工作电压,详细参数可以参考一下直流调速器的参数。

 

Q61:迈信PLC中的INCP什么意思?

A:INCP只是对寄存器进行+1,前面加个条件,接通一次 1. 如INCP D100,即使D100内部的数据 1 一直接通只算一次哦。

 

Q62:迈信PLC M500以上为断电保持,怎样设定使之为非断电保持型?

A:1:点击显示菜单,选工程数据列表。2:点击左边参数,选PLC参数。 3:MX参数设置对话框,选软元件。 4:在辅助继电器项,锁存起始项里更改。

 

特别说明:此文章素材来源于网络,版权归原作者所有。

  • 首页
  • 电话咨询
  • 在线留言